需要協助嗎?
請您提供現況和需求,我們會協助您找出解決辦法。
staging
目錄
(1) TA 系列
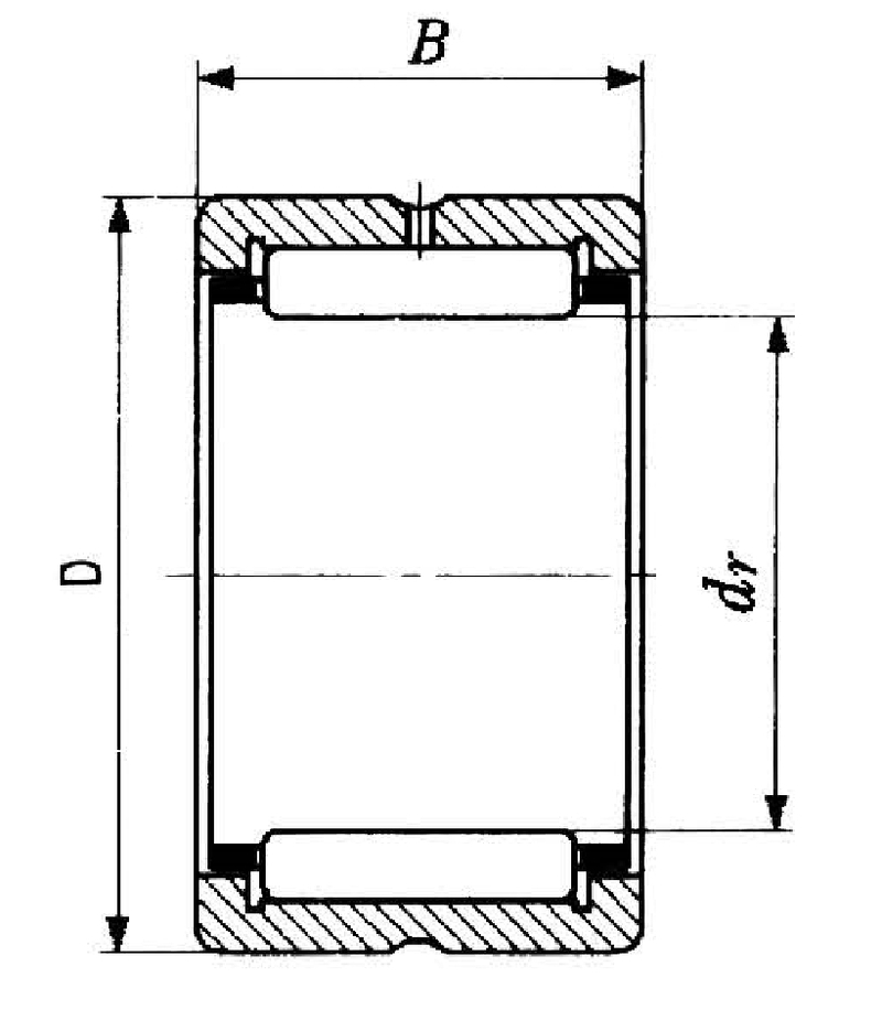
(2) HK 系列
(3) HF 系列
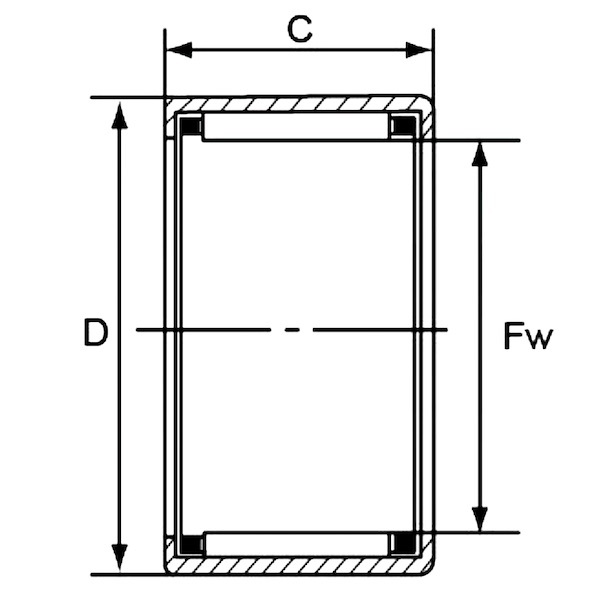
(4) NK 系列
(5) NA 系列
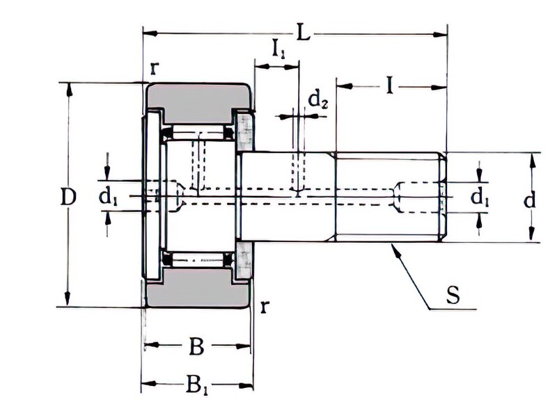
(6) KT 系列
(7) CF 系列
滾子軸承是一種常見的軸承類型,使用滾子作為滾動元件而不是滾珠。這些滾子可以是圓柱形、圓錐形或錐狀,具體的軸承類型取決於這些滾子的形狀和結構。滾子軸承通常用於需要承受高軸向和徑向載荷的應用中,因為它們具有較大的接觸面積,能夠分散更大的載荷。
圓錐滾子軸承是一種可分離的軸承,設計主要用於處理徑向和軸向載荷的組合。軸承的承載能力取決於外圈滾道的角度,角度越大,承載能力越強。外滾道與軸承中心線之間的角度越大,越能承受更高比例的軸向與徑向載荷。
進入產品頁面: 圓錐滾子軸承
前往產品頁面: TA 系列
前往產品頁面: HK 系列
前往產品頁面: HF 系列
前往產品頁面: NK 系列
前往產品頁面: KT 系列
前往產品頁面:CF 系列
請您提供現況和需求,我們會協助您找出解決辦法。