需要協助嗎?
請您提供現況和需求,我們會協助您找出解決辦法。
staging
桿端關節軸承, 是在各種應用中使用的重要機械零件,用於在兩個相連的部件之間提供旋轉和振動運動。它們在不同的工業和汽車系統中發揮著在惡劣環境下傳遞運動和載荷的至關重要作用,提供高精度和效率。
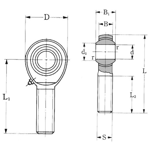
桿端關節的柄通常帶有螺紋,這有助於輕鬆安裝和調整。柄的對面有一個孔或球座,可以將螺栓或其他連接元素固定在這裡,將螺桿端與所需的機械部件連接起來。
有許多種不同類型的桿端關節軸承可供選擇,每種都設計用於特定的應用和承受特定負荷能力。
該型號具有外螺紋柄,用於將桿端旋入部件中。
POS 是一種由鋼製內圈和青銅外圈組成的球面滑動軸承。其特點是具有優異的自潤滑性能和耐磨性,可在任何角度旋轉和擺動。它還具有抗衝擊、耐腐蝕和耐磨損等特點。
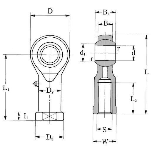
該型號帶有內螺紋孔,適用於在桿端插入螺栓或螺柱的應用場合。
由於其多功能性和處理複雜運動需求的能力,桿端關節軸承在眾多行業中都有廣泛的應用。
它們被用於風力渦輪機等發電設備,以便調整葉片角度和傾斜控制機制。
總的來說,桿端關節軸承在各種機械系統中是不可或缺的組件,能夠實現平滑的旋轉和振動運動。它們能夠處理偏差和各種負載,使其在各行業中變得多才多藝且廣泛應用。在選擇特定應用的桿端關節軸承時,有必要考慮諸如承載能力、偏差要求和環境條件等因素,以確保其達到最佳性能並具有較長的使用壽命。
延伸閱讀:
Miniature Ball Bearings: A Comprehensive Chart for Ball Bearings
Thrust Ball Bearings|Precision Handling of Axial Loads
請您提供現況和需求,我們會協助您找出解決辦法。